GT型凸缘联轴器
发布时间:2018/03/26


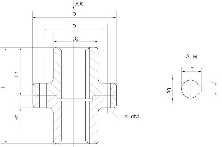
GT型刚性凸缘联轴器主要尺寸
| 标定符号 |
孔径 dg(H7) |
Mmax (Nm) |
主要尺寸 | 重量(kg) | ||||||||
| D | D1 | D2 | H | H1 | H2 | n-dM | T | t | ||||
| GT-30 | 30 | 500 | 115 | 90 | 65 | 112 | 54 | 18 | 4-M10 | 33.3 | 8 | 7 |
| GT-35 | 35 | 900 | 115 | 90 | 65 | 112 | 54 | 18 | 4-M10 | 38.3 | 10 | 10 |
| GT-40 | 40 | 1600 | 150 | 120 | 100 | 144 | 70 | 20 | 4-M12 | 43.3 | 12 | 16 |
| GT-45 | 45 | 1600 | 150 | 120 | 100 | 144 | 70 | 20 | 4-M12 | 48.8 | 14 | 16 |
| GT-50 | 50 | 2000 | 170 | 140 | 115 | 165 | 80 | 21 | 4-M12 | 53.8 | 14 | 20 |
| GT-55 | 55 | 2000 | 170 | 140 | 115 | 165 | 80 | 21 | 4-M12 | 59.3 | 16 | 20 |
| GT-65 | 65 | 4000 | 200 | 160 | 125 | 185 | 87 | 24 | 4-M16 | 69.4 | 18 | 35 |
| GT-70 | 70 | 4000 | 200 | 160 | 125 | 185 | 87 | 24 | 4-M16 | 74.9 | 20 | 35 |
| GT-80 | 80 | 7500 | 200 | 160 | 130 | 190/255 | 92/125 | 26 | 4-M16 | 85.4 | 22 | 50 |
| GT-90 | 90 | 9000 | 240 | 200 | 150 | 255 | 125 | 28 | 6-M16 | 95.4 | 25 | 75 |
| GT-95 | 95 | 9000 | 240 | 200 | 150 | 255 | 125 | 28 | 6-M16 | 100.4 | 25 | 75 |
| GT-100 | 100 | 12000 | 240 | 200 | 165 | 264 | 134 | 32 | 6-M16 | 106.4 | 28 | 110 |
| GT-110 | 110 | 18000 | 255 | 220 | 180 | 312 | 155 | 32 | 6-M18 | 116.4 | 28 | 130 |
| GT-120 | 120 | 18000 | 255 | 220 | 180 | 312 | 155 | 32 | 6-M18 | 127.4 | 32 | 155 |
| GT-130 | 130 | 28000 | 340 | 280 | 220 | 399 | 197 | 34 | 6-M18 | 137.4 | 32 | 240 |
| GT-140 | 140 | 28000 | 340 | 280 | 220 | 399 | 197 | 34 | 6-M18 | 148.4 | 36 | 272 |
| GT-150 | 150 | 29000 | 380 | 320 | 250 | 450 | 206 | 45 | 8-M20 | 158.4 | 36 | 302 |
| GT-160 | 160 | 29000 | 390 | 330 | 260 | 450 | 206 | 45 | 8-M20 | 169.4 | 40 | 325 |
| GT-180 | 180 | 31000 | 425 | 360 | 300 | 610 | 320 | 50 | 8-M24 | 190.4 | 45 | 365 |
| GT-200 | 200 | 33750 | 440 | 380 | 310 | 610 | 320 | 55 | 8-M24 | 210.4 | 45 | 392 |


