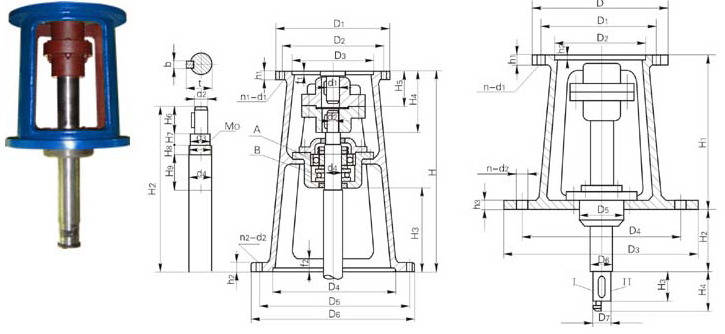
JII 型单支点机架、TJA型机架
发布时间:2018/03/26
|
JⅡ型单支点机架主要参数及尺寸
TJA型单支点机架主要参数及尺寸
注:图中所注“H2”仅与本样本BLD系列件速机相配,如选用其他型号或其他厂家减速机,“H2”需另行计算。 |
||||||||||||||||||||||||||||||||||||||||||||||||||||||||||||||||||||||||||||||||||||||||||||||||||||||||||||||||||||||||||||||||||||||||||||||||||||||||||||||||||||||||||||||||||||||||||||||||||||||||||||||||||||||||||||||||||||||||||||||||||||||||||||||||||||||||||||||||||||||||||||||||||||||||||||||||||||||||||||||||||||||||||||||||||||||||||||||||||||||||||||||||||||||||||||||||||||||||
|
JⅡ型单支点机架主要参数及尺寸
TJA型单支点机架主要参数及尺寸
注:图中所注“H2”仅与本样本BLD系列件速机相配,如选用其他型号或其他厂家减速机,“H2”需另行计算。 |
||||||||||||||||||||||||||||||||||||||||||||||||||||||||||||||||||||||||||||||||||||||||||||||||||||||||||||||||||||||||||||||||||||||||||||||||||||||||||||||||||||||||||||||||||||||||||||||||||||||||||||||||||||||||||||||||||||||||||||||||||||||||||||||||||||||||||||||||||||||||||||||||||||||||||||||||||||||||||||||||||||||||||||||||||||||||||||||||||||||||||||||||||||||||||||||||||||||||




